Highlights
- Analoger Signalpfad mit digitaler Regelung
- 100 kHz Bandbreite
- Rauscharmes Frontend
- P, I, D & Offset auf 0,5 % einstellbar
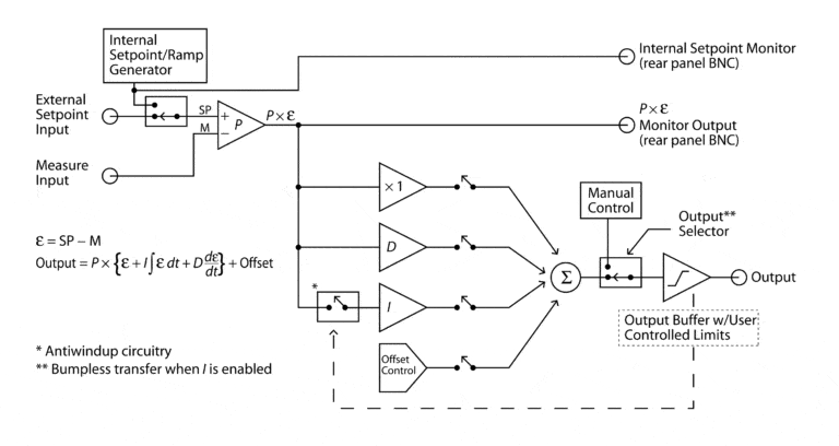
- Anti-Windup (Schneller Sättigungsabbau)
- Transfer manuell zu PID ohne Signalausschlag
- Analoger Sollwert mit sanfter Rampe
- Glatte Beschneidung an oberer/unterer Begrenzung
Produktbeschreibung & Vorteile
Vereint Vorteile von analoger und digitaler Technik
Das analoge PID-Regler-Modul SIM960 ist ein einzigartiges Messgerät für die anspruchsvollsten Steuerungsanwendungen. Es kombiniert analoges Signalhandling mit digitaler Steuerung und bietet Ihnen das Beste aus beiden Welten. Regelkreise mit hoher Bandbreite (100 kHz) können ohne diskrete Zeit- oder Quantisierungsartefakte implementiert werden.
Das rauscharme Frontend bietet eine hervorragende Leistung für rauschempfindliche Anwendungen, einschließlich Laserleistungs- und Wellenlängenstabilisierung, Kryotechnik, Rastersondenmikroskopie und weitere. Vom Benutzer einstellbare Verstärkung von bis zu Faktor 1000 ermöglicht mehr Flexibilität und reduziert den Bedarf an Eingangsvorverstärkung. Das Gerät kann zusammen mit der SIM-Widerstandsbrücke SIM921 verwendet werden und bietet eine flexible und kostengünstige Temperaturregelungslösung.
Ein interner Rampengenerator steuert die Spannungsanstiegsrate zwischen vordefinierten Start- und Stoppsollwerten. Der Ausgang wird an oberer und unterer Benutzergrenze beschnitten, um eine Systemüberlastung zu vermeiden. Die bedingte Integrationselektronik verfügt über eine Anti-Windup-Technologie auf den integrierenden Kondensatoren, um die Erholung von Sättigungszuständen zu beschleunigen.
Die Steuerung auf der Vorderseite ermöglicht eine einfache Änderung der Systemparameter und eine bequeme Überwachung der Eingangs- und Ausgangssignale. Die Stromversorgung und serielle Kommunikation erfolgen über einen 15-poligen D-Sub-Anschluss, der mit dem SIM900-Mainframe verbunden ist. Alle Geräteparameter können über die serielle Schnittstelle eingestellt und abgefragt werden.
Bitte fordern Sie weitere Informationen oder Beratung über das Kontaktformular unten an.
